0 Elemek
LVM2/2-003-80/230 Kategória:

1352,50  (nettó) /db

LVM2/2-003-80/230 Kategória:

80 mmWs – 3m³/min

Részletek

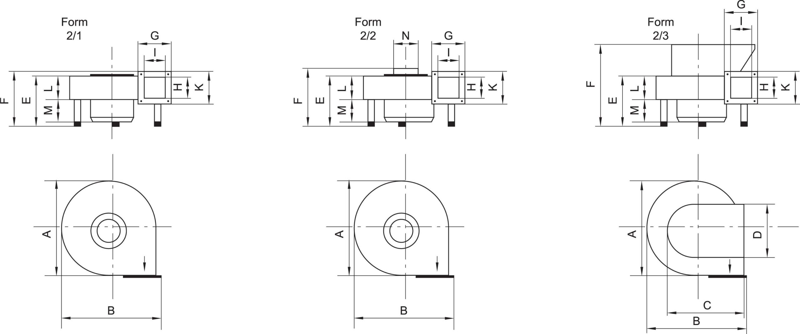
A 320
B 335
C  –
D  –
E 155
F 175
G 110
H 64
I 70
K 110
L 80
M 72
N 77
Select your currency
EUR euró
0
    0
    Kosár
    A kosár üres