0 Elemek
LVM2/2-001-60/230 Kategória:

976,30  (nettó) /db

LVM2/2-001-60/230 Kategória:

60 mmWs – 1,8m³/min

Részletek

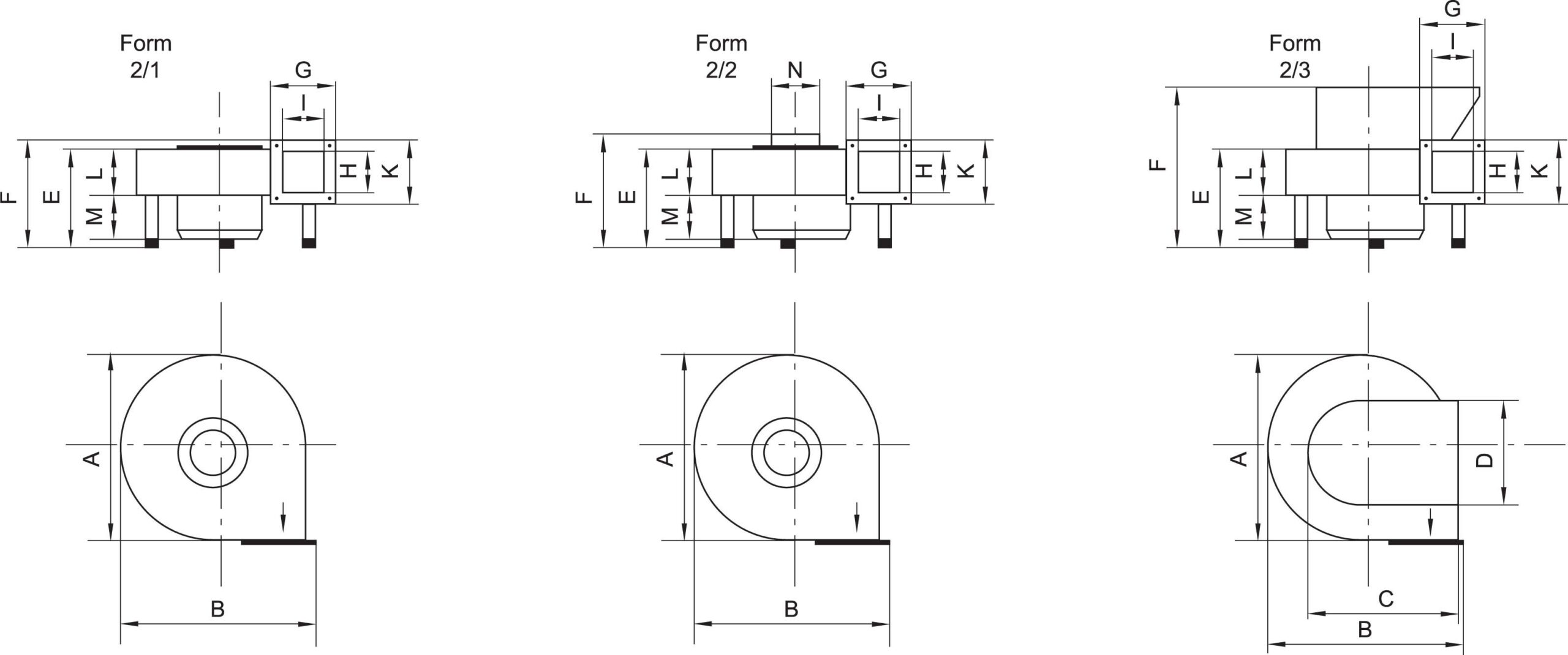
A 265
B 280
C  –
D  –
E 127
F 147
G 77
H 37
I 40
K 77
L 52
M 72
N 77
Select your currency
EUR euró
0
    0
    Kosár
    A kosár üres