0 Elemek
LVM2/3-002-70/230 Kategória:

1376,30  (nettó) /db

LVM2/3-002-70/230 Kategória:

70 mmWs – 2,5m³/min

Részletek

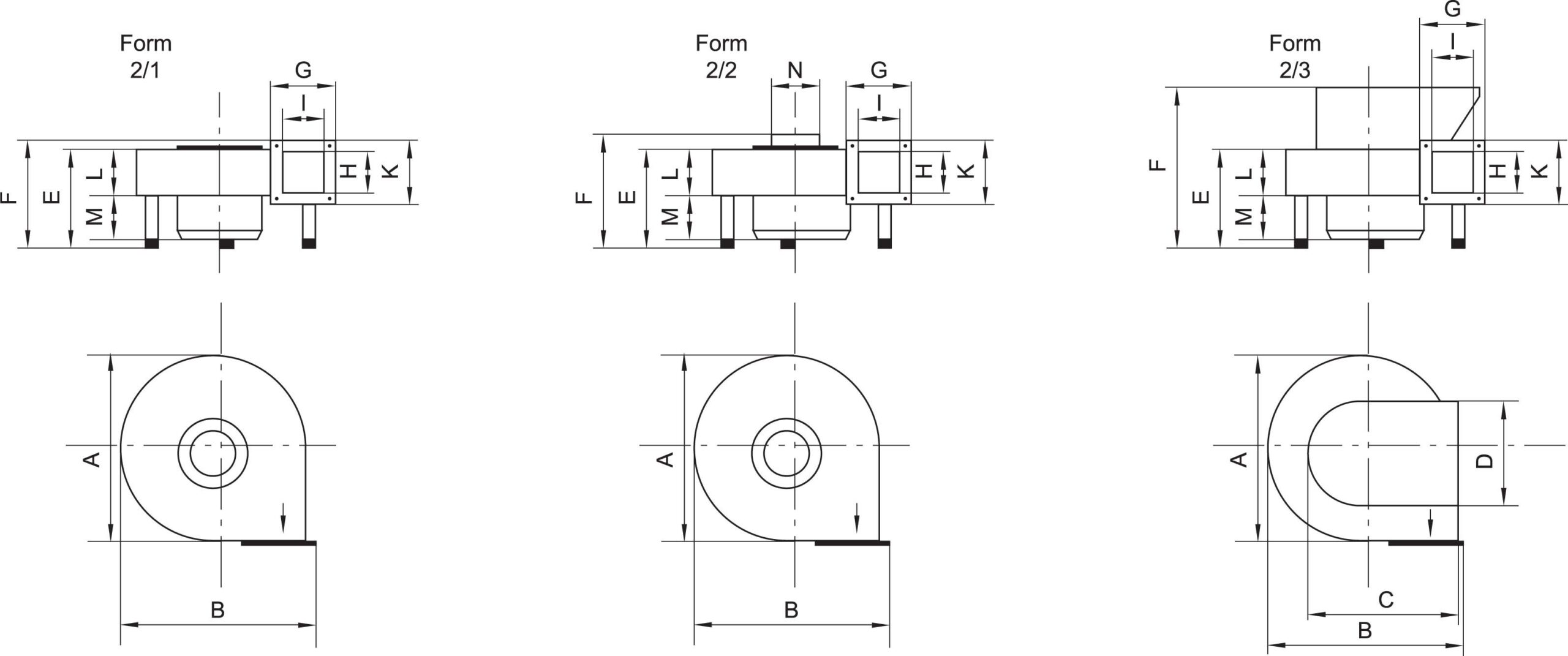
A 320
B 335
C 280
D 190
E 155
F 240
G 110
H 64
I 70
K 110
L 80
M 72
N  –
Select your currency
EUR euró
0
    0
    Kosár
    A kosár üres